如何在PCB設計中設置(DNP)禁止焊接組件
PCB設計可能是一個艱巨的過程。與面包板電路或穿孔板上制成的電路不同,定制印刷電路板的模塊化程度要低得多。PCB上的錯誤可能更難解決。某些使用不友好,小包裝的設備或對電路板布局敏感的設備的電路,如果沒有定制的印刷電路板,甚至可能無法原型制作。但是,可以采取一些措施使此過程的難度和風險降低。DNP組件(代表暫時不焊接或不放置)是指在PCB設計的時候留出一些可能放置,也可能不放置的組件。將這些組件整合到設計中可以進行模塊化的PCB設計,并且返工更加容易。
在許多應用中使用同一塊PCB
PCB布局并不是每個人都喜歡的愛好。設計可用于多種應用的電路板可以限制在計算機前所花費的時間,從而節省更多的工作時間!多個項目可能使用相同的微控制器或WiFi /藍牙收發器,但需要不同的傳感器或執行器??梢栽O計一個板,其中包括所有這些設備的電路板和連接,但實際上只有某些板可以焊接到板上以用于不同的應用。一個微控制器外設(例如某個GPIO引腳,模擬輸入等)甚至可以連接到多個設備,只要一次只安裝一個即可。
但是,在為多種應用設計一塊電路板時,應格外小心,以確保剩余的電路“樁”不會引起任何問題。存根是僅連接在一端的電路走線。沒有人居住的電路就是這樣:電路走線無處可通。這些痕跡可能是USB等高速數字應用中潛在的故障點。這些信號線上的存根會導致信號通過線路反射回去,從而破壞了其中嵌入的信息。

(USB連接器,上面就有不放置的組件)
測試其他配置
選擇是否焊接某些組件,可使電路設計人員無需設計全新的電路板即可更改其電路的功能。對于具有一個或多個應用程序的電路板,通過啟用定制PCB上的原型設計,保留DNP元件焊盤可以使設計過程更快,更輕松,并且成本更低。它還使設計人員能夠簡化其電路調試過程,并限制他們必須進行的復雜返工量。
電源設計中的DNP組件
DNP組件在設計電源時可能會有所幫助。容易出現瞬態的電路可能會需要額外的電容才能正常工作,在瞬態中,電路所需的電流突然尖峰。
即使電源可以處理一定的峰值電流,在非??焖俚母咚矐B期間,其輸出電壓也可能不會保持穩定。這可以通過增加額外的輸出電容來補償。無需測試許多不同的電容器,PCB設計人員可以將多個電容器的焊盤并聯放置。
工程師也不需要冒險不斷焊接和拆焊一個電容器來損壞電路板。對于在重新加工時不小心從板上撕下表面安裝墊的人來說,這可以省去很多麻煩。另外,與大容量電容器相比,并聯的多個電容器的ESR(等效串聯電阻)更低。
匹配網絡設計中的DNP組件
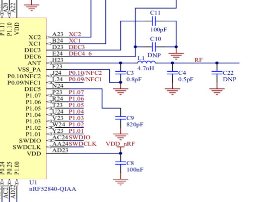
DNP組件的另一個用例是匹配網絡設計。在不深入研究射頻(RF)設計細節的情況下,許多天線(例如與ESP8266等Wi-Fi設備一起使用的PCB跟蹤天線,或nRF52系列之類的藍牙設備)都需要由電容器組成的阻抗匹配電路和電感器,位于天線和使用它的設備之間。
產品的外殼和使用環境會影響其無線性能,因此僅使用數據表計算最佳組件值可能不足以實現最佳性能。將其中一些組件指定為DNP可以實現更完整的天線匹配/調諧過程,從而允許測試不同的組件值和配置。
(C22是用于天線調諧的DNP,而C10是用于可選電源去耦的DNP)
分離負載
設計電源時,具有將電源與負載(將向其供電的設備)分開的能力會有所幫助。一種常見的實現方法是在源極和負載之間放置一個0歐姆電阻(有時稱為跳線)的焊盤。降壓和升壓轉換器之類的電路在面包板上制作原型并不簡單。造成這種復雜情況的原因之一是IC通常很小,且表面安裝。即使使用轉接板,也需要精確布置這些電路以獲得最佳性能,并且需要PCB。
當使用不熟悉的設備或測試新的電源架構時,未安裝的跳線允許設計人員在將電源的輸出暴露于潛在的敏感設備之前,對電源的輸出進行測試和調試,如果存在設計缺陷,可能會損壞該電源。給電路板上電后,可以用萬用表檢查電源電路的輸出。PCB設計人員還可以考慮添加一個“虛擬負載”電阻器(另一個DNP組件!),以確保電路在提供電流的同時可以保持穩定的輸出電壓。經過驗證后,可以卸下可選的負載電阻,并且可以使用0歐姆的跳線(或簡稱為焊接橋)將電源連接到電路的其余部分。
DNP組件提供了有用的工具
DNP組件是確保您的電路板第一次工作或使用難以使用的組件進行原型設計的有用方法。通過限制設計迭代并允許一塊電路板為多種應用服務,它可以節省時間和金錢。盡管對于有經驗的設計人員來說似乎很明顯,但是那些不熟悉PCB設計的人可能沒有將未組裝的組件視為設計中可接受的選擇,但它們確實是一種有價值的工具。
豐樂壹博專業PCB設計、PCB Layout、PCBA一站式生產。
在許多應用中使用同一塊PCB
PCB布局并不是每個人都喜歡的愛好。設計可用于多種應用的電路板可以限制在計算機前所花費的時間,從而節省更多的工作時間!多個項目可能使用相同的微控制器或WiFi /藍牙收發器,但需要不同的傳感器或執行器??梢栽O計一個板,其中包括所有這些設備的電路板和連接,但實際上只有某些板可以焊接到板上以用于不同的應用。一個微控制器外設(例如某個GPIO引腳,模擬輸入等)甚至可以連接到多個設備,只要一次只安裝一個即可。
但是,在為多種應用設計一塊電路板時,應格外小心,以確保剩余的電路“樁”不會引起任何問題。存根是僅連接在一端的電路走線。沒有人居住的電路就是這樣:電路走線無處可通。這些痕跡可能是USB等高速數字應用中潛在的故障點。這些信號線上的存根會導致信號通過線路反射回去,從而破壞了其中嵌入的信息。

(USB連接器,上面就有不放置的組件)
測試其他配置
選擇是否焊接某些組件,可使電路設計人員無需設計全新的電路板即可更改其電路的功能。對于具有一個或多個應用程序的電路板,通過啟用定制PCB上的原型設計,保留DNP元件焊盤可以使設計過程更快,更輕松,并且成本更低。它還使設計人員能夠簡化其電路調試過程,并限制他們必須進行的復雜返工量。
電源設計中的DNP組件
DNP組件在設計電源時可能會有所幫助。容易出現瞬態的電路可能會需要額外的電容才能正常工作,在瞬態中,電路所需的電流突然尖峰。
即使電源可以處理一定的峰值電流,在非??焖俚母咚矐B期間,其輸出電壓也可能不會保持穩定。這可以通過增加額外的輸出電容來補償。無需測試許多不同的電容器,PCB設計人員可以將多個電容器的焊盤并聯放置。
工程師也不需要冒險不斷焊接和拆焊一個電容器來損壞電路板。對于在重新加工時不小心從板上撕下表面安裝墊的人來說,這可以省去很多麻煩。另外,與大容量電容器相比,并聯的多個電容器的ESR(等效串聯電阻)更低。
匹配網絡設計中的DNP組件
DNP組件的另一個用例是匹配網絡設計。在不深入研究射頻(RF)設計細節的情況下,許多天線(例如與ESP8266等Wi-Fi設備一起使用的PCB跟蹤天線,或nRF52系列之類的藍牙設備)都需要由電容器組成的阻抗匹配電路和電感器,位于天線和使用它的設備之間。
產品的外殼和使用環境會影響其無線性能,因此僅使用數據表計算最佳組件值可能不足以實現最佳性能。將其中一些組件指定為DNP可以實現更完整的天線匹配/調諧過程,從而允許測試不同的組件值和配置。

分離負載
設計電源時,具有將電源與負載(將向其供電的設備)分開的能力會有所幫助。一種常見的實現方法是在源極和負載之間放置一個0歐姆電阻(有時稱為跳線)的焊盤。降壓和升壓轉換器之類的電路在面包板上制作原型并不簡單。造成這種復雜情況的原因之一是IC通常很小,且表面安裝。即使使用轉接板,也需要精確布置這些電路以獲得最佳性能,并且需要PCB。
當使用不熟悉的設備或測試新的電源架構時,未安裝的跳線允許設計人員在將電源的輸出暴露于潛在的敏感設備之前,對電源的輸出進行測試和調試,如果存在設計缺陷,可能會損壞該電源。給電路板上電后,可以用萬用表檢查電源電路的輸出。PCB設計人員還可以考慮添加一個“虛擬負載”電阻器(另一個DNP組件!),以確保電路在提供電流的同時可以保持穩定的輸出電壓。經過驗證后,可以卸下可選的負載電阻,并且可以使用0歐姆的跳線(或簡稱為焊接橋)將電源連接到電路的其余部分。
DNP組件提供了有用的工具
DNP組件是確保您的電路板第一次工作或使用難以使用的組件進行原型設計的有用方法。通過限制設計迭代并允許一塊電路板為多種應用服務,它可以節省時間和金錢。盡管對于有經驗的設計人員來說似乎很明顯,但是那些不熟悉PCB設計的人可能沒有將未組裝的組件視為設計中可接受的選擇,但它們確實是一種有價值的工具。
豐樂壹博專業PCB設計、PCB Layout、PCBA一站式生產。
標簽:PCB設計
上一新聞:符合IPC的PCB設計
下一新聞:PCB設計中差模干擾共模干擾濾除方法